Các loại tiếp điểm trong công tắc điều khiển
Các loại tiếp điểm trong công tắc điều khiển
Mối quan hệ và sự khác biệt giữa các loại tiếp điểm (tiếp điểm a, tiếp điểm b, tiếp điểm c) và đầu cuối tiếp điểm (NO, NC, COM)
| Kiểu tiếp điểm | Tiếp điểm NO | Tiếp điểm b- NC | Tiếp điểm c |
| Ký hiệu tiếp điểm JIS | |||
| Các tên khác | NO Normally open Normally open Make contact Normally open Single throw | NC Normally closed Normally closed Break contact Normally closed Single throw | ・COM ・Common ・Comb ・Transfer contact ・Changeover contact ・Double throw type |
| Hình ảnh hoạt động tiếp điểm |
Hơn nữa, khi một công tắc hoặc rơle có nhiều tiếp điểm, nó được gọi như sau:
・Hai tiếp điểm a: “tiếp điểm 2a” hoặc “2NO”
・Hai tiếp điểm b: “tiếp điểm 2b” hoặc “2NC”
・Bốn tiếp điểm c: “tiếp điểm 4c”
・Một tiếp điểm a và một tiếp điểm b: “tiếp điểm 1a1b”
Danh mục sản phẩm của chúng tôi sử dụng các tên sau để làm ví dụ.
| Tên sản phẩm | Ví dụ về ký hiệu danh mục | Ví dụ về tên |
Dòng công tắc nhỏ Z | Tiếp điểm 1c | |
Rơ le MY2 | *13 và 14 là các đầu nối cuộn dây | Tiếp điểm 2c |
Công tắc giới hạn dòng WL-N | 1NO1NC or 1a1b | |
Bộ điều khiển nhiệt độ E5CC-RX | Tiếp điểm 1a |
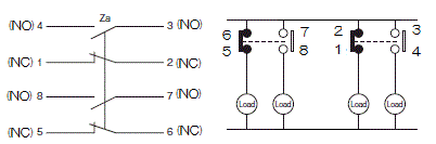
Công tắc giới hạn ngắt kép 2 mạch và công tắc giới hạn ngắt kép 4 mạch là gì?
Điều này cho biết cấu hình tiếp điểm.
Loại ngắt kép 2 mạch có tiếp điểm 1a1b, và loại ngắt kép 4 mạch có tiếp điểm 2a2b.
| Loại | Cấu hính tiếp điểm | Ví dụ về bố cục chân thiết bị |
| Loại ngắt kép 2 mạch | Tiếp điểm 1a1b (1NO/1NC) | Ví dụ: Dòng WL-N |
| Loại ngắt kép 4 mạch | Tiếp điểm 2a2b (2NO/2NC | Ví dụ: Dòng D4A-□N *1 |
■Cấu hình tiếp điểm công tắc giới hạn chính
| Loại công tắc | Series | Cấu hình triếp điểm |
| Loại thẳng đứng | Model WL-N | 1a1b |
| Type D4C | 1c | |
| Model D4CC | 1c | |
| Model HL-5000 | 1a1b | |
| Model D4A-□N *1 | 1a1b or 2a2b | |
| Loại nằm ngang | Model D4ER-□N | 1c |
| Model D4E-□N | 1c | |
| Model SHL | 1c | |
| Model ZC-□55 | 1c | |
| Model D4MC | 1c | |
| Shape VE | 1c |
*1 Dòng D4A-□N có sẵn ở dạng model ngắt kép hai mạch và model ngắt kép bốn mạch tùy thuộc vào từng mô hình.





